Zák. číslo: 2985 00 0000
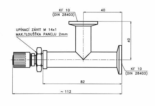
Ventil slouží ve vakuových rozvodech jako zavzdušňovací nebo napouštěcí s možností uzavření. Je určen pro zařízení s minimálním tlakem 1.10-5 Pa a maximální provozní teploty 55° C. Ventil je možno připojit přímo na aparaturu nebo může být připevněn na panelu pomocí závitu M14 x 1. Při použití ventilu jako napouštěcího je napuštění plynu hrubé a není jeho množství kalibrované. Těleso ventilu a díly, které jsou ve styku s čerpaným plynem jsou z nerezové oceli, těsnící elementy jsou z teflonu (PTFE).
Technické údaje
- Těsnost 1 x 10-5 Pa.l.s-1
- Příruby pro rychlospoj KF 16
- Ovládání ventilu Ruční
- Vnější rozměry 112 x 40 x 40 x 82 mm
- Hmotnost 0,16 kg

